Igant писал(а):Не я не ёрничаю.
Олег, на фото у Виталика "коротенький"
на счёт того, что он короткий хз.
ты его сам зимой пытался копать

- короткий.)
//
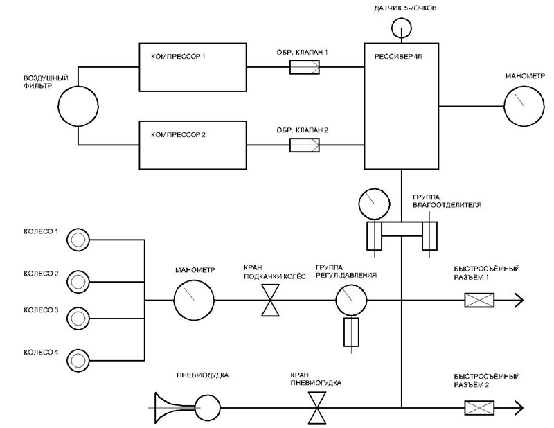
*потолочная* болезнь очень обостряецца, когда в воде потеряешь часть оборудования.)))
поэтому компрессоры, инвертор, усилок, конденс, видеорегистратор расположены сверху.
(кстати, на этом *багажнике* иногда лежат некоторые носильные вещи, которые также не хочецца мочить.)
по поводу расположения рессивера: из соображений более короткой трассировки и облегчения слива конденсата. + я сзади не езжу.))
вход трасс в него обеспечен через *Y*-образный трайник, чтобы воздушные потоки не сталкивались друг с другом.
//
ещё один вариант расположения:

- компрессор в портальном 110